Skip to product information
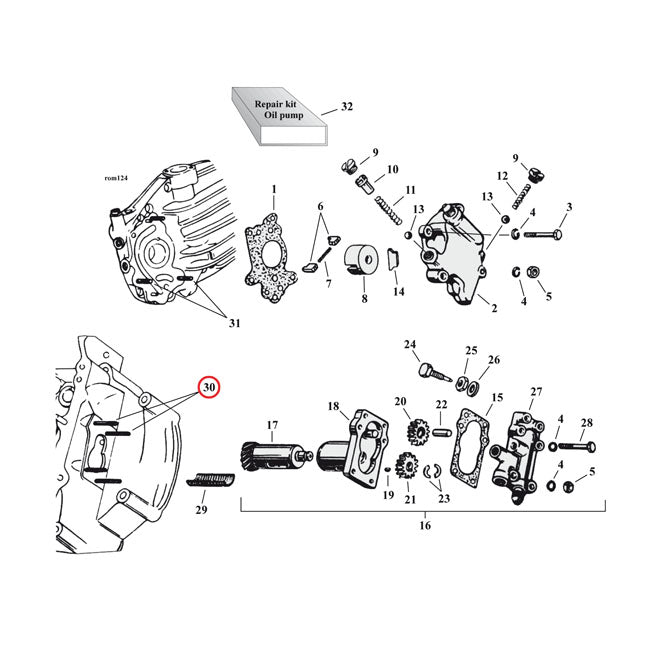
Stud, Scavenger Pump For Harley-Davidson

Stud, Scavenger Pump For Harley-Davidson

24.05 €

Fits: 37-73 45" SV(NU) Units: 4

Related products

Any questions? We'll help you: