Skip to product information
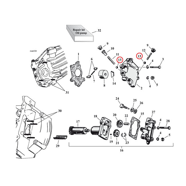
Ball 7/32 Inch Diameter Oil Pump For Harley-Davidson

Ball 7/32 Inch Diameter Oil Pump For Harley-Davidson

17.55 €

Fits: 37-73 45' SV(NU) (OIL PUMP, 2 USED) Units: 25

Related products

Any questions? We'll help you: