Ir directamente a la información del producto
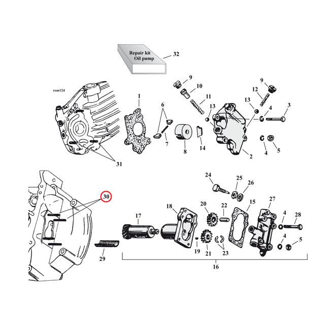
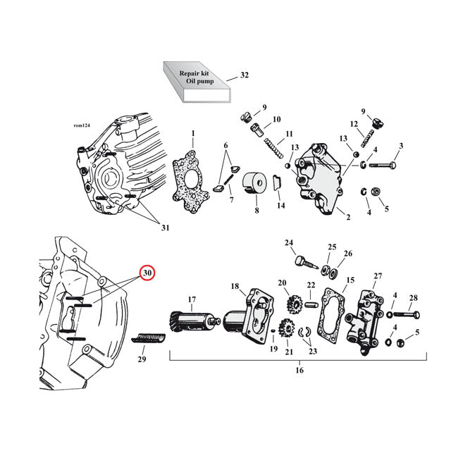
Stud, Scavenger Pump For Harley-Davidson

Stud, Scavenger Pump For Harley-Davidson

24.05 €

Fits: 37-73 45" SV(NU) Units: 4

Productos relacionados

¿Alguna duda? Te ayudamos: