Ir directamente a la información del producto
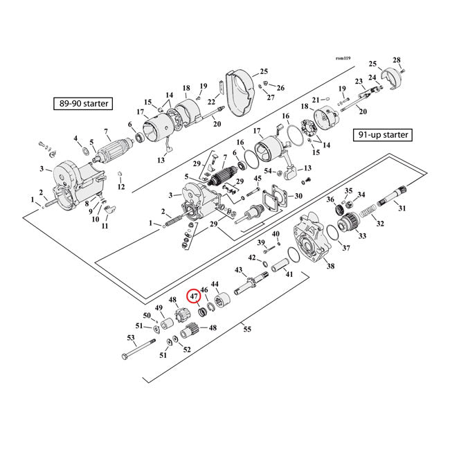
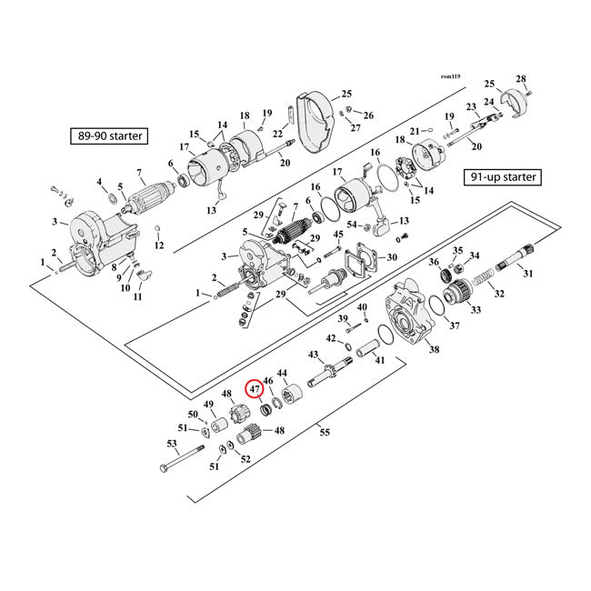
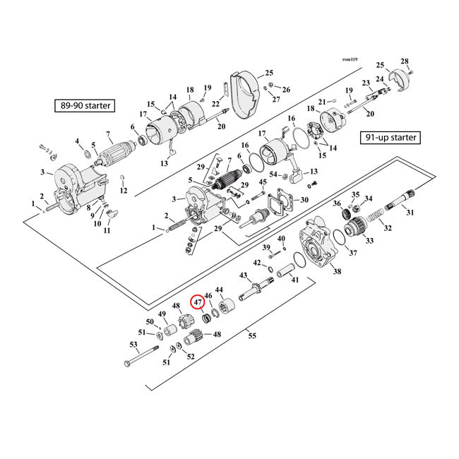
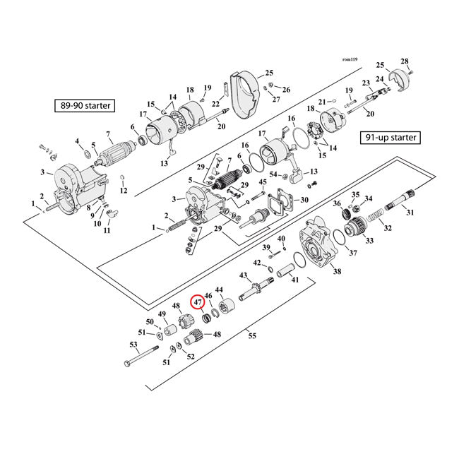
Spring, Starter Gear For Harley-Davidson

Spring, Starter Gear For Harley-Davidson

24.22 €
P/N

Fits: 1989 B.T. ONLY(NU) Units: 10

Productos relacionados

¿Alguna duda? Te ayudamos: