Ir directamente a la información del producto
Conversion Inyeccion A Carburador Para Harley-Davidson AMM P3 EFI To Carb

Conversion Inyeccion A Carburador Para Harley-Davidson AMM P3 EFI A Carburador

571.02 €

Conversión de inyección de carburador para Harley-Davidson AMM P3 EFI a carburador

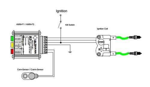
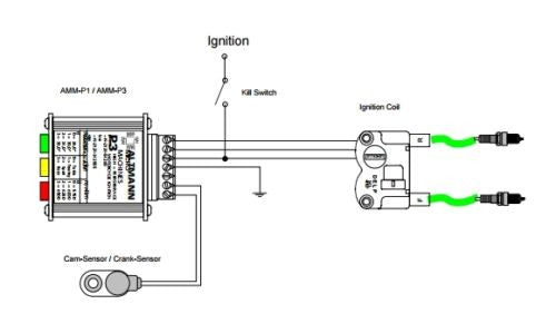
El AMM-P3 es un sistema de encendido electrónico profesional desarrollado especialmente para las motocicletas Harley-Davidson Twin Cam y Sportster. Está diseñado con la última tecnología disponible e implementa un nuevo enfoque para calcular el tiempo de encendido, lo que da como resultado una resolución y precisión inigualables. El AMM-P3 cuenta con el modo Synchro-Control, un desarrollo exclusivo de AMM, capaz de optimizar automáticamente el par motor en todo el rango de rpm. Esto se realiza en tiempo real mediante cálculos a gran escala en la computadora de encendido de 16 MHz.

Para todos los modelos Twin Cam con carburador e inyección y Sportster a partir de 2004

También para aquellos que desean convertir su modelo Evolution Big Twin equipado con inyección de combustible EFI a carburador. Avance, aumento y límite de revoluciones regulables de forma independiente
Compatible con todos los niveles de ajuste del motor (Big Bore, Stroker, Turbo Charged)
Utiliza curvas de avance completamente equilibradas
Ralentí perfecto del motor
Solo se necesitan 6 cables para conectar, sin enredos de cables
Independiente del mazo de cables OEM
No necesita sensor de levas ni sensor de mapa
Conectores de tornillo, no se requieren herramientas especiales
No se requiere escáner Harley-Davidson
No se requiere ajuste del PMS del motor
No se requiere computadora
Rendimiento ultra suave del motor controlado por sincronización
Protección contra sobretensión y corriente inversa
Energía de chispa muy alta con bobina de serie
Hecho en Alemania

Productos relacionados

¿Alguna duda? Te ayudamos: