Ir directamente a la información del producto
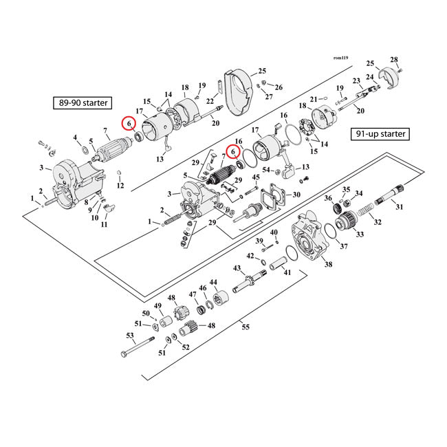
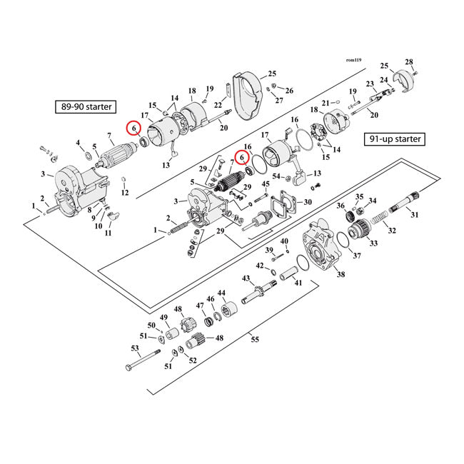
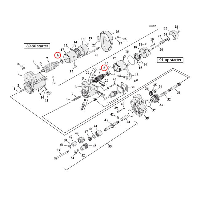
Ball Bearing, Starter Motor (OUTER) For Harley-Davidson

Ball Bearing, Starter Motor (OUTER) For Harley-Davidson

9.60 €

OUTER SIDE OF STARTER Fits: 89-90 B.T. (NU) Units: EA

Productos relacionados

¿Alguna duda? Te ayudamos: