Transmisión
-
BDL CLUTCH ADJ SCREW & O-RINGS FOR HARLEY-DAVIDSON -
Goma Amortiguador Buje Rueda Para Harley-Davidson Touring -
Abrazadera De Cable De Marco De 2 Piezas. Embrague. Cromada Para Harley Davidson -
Release plate For Harley-Davidson -
Automatic Primary Chain Tensioner Assembly For Harley-Davidson Milwaukee Eight -
Tsubaki, Cadena Primaria. 92 Enlaces Para Harley-Davidson -
Cojinete De Bolas, Eje Principal De Transmisión Para Harley-Davidson -
Jims, Herramienta De Bloqueo De La Impulsión Primaria Para Harley-Davidson -
Herramienta Extractora De Cubo De Embrague Para Harley-Davidson -
GZP Primary adjuster pad XL77-90 #39966- For Harley-Davidson -
Tensor Cadena Primaria Manual Para Harley-Davidson -
Correa Transmision Para Harley-Davidson Touring 1997-2003 Rear Belt Drive 139T -
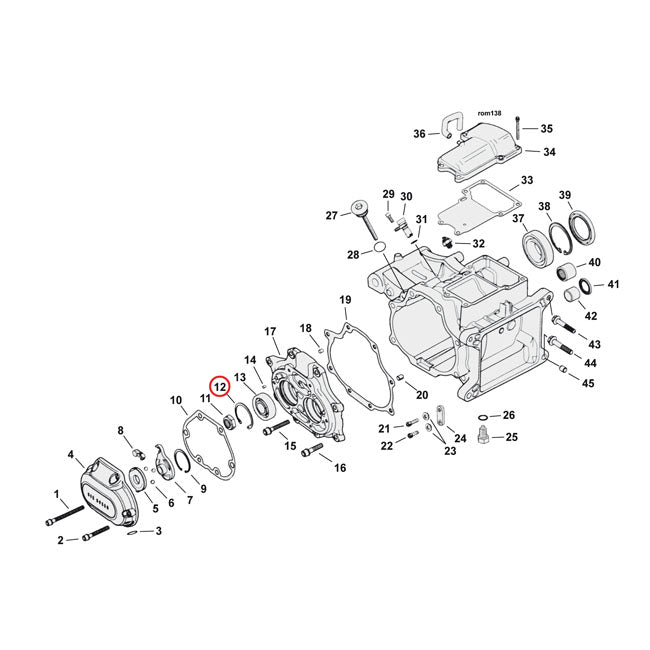
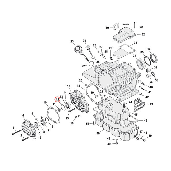
Retén 5 Velocidades Para Harley Davidson -
Varilla Empuje Embrague Para Harley-Davidson 37092-06 -
Tapón De Drenaje Del Tanque De Aceite. Sin Rosca Para Harley-Davidson -
BDL SPRINGLESS COMPENSATOR SPROCKET FOR HARLEY-DAVIDSON -
Palanca De Liberación Del Embrague Para Harley Davidson -
Cadena De Transmisión Con Retenes X-Ring 530 Z3 Heavy-Duty Para Harley-Davidson -
Kit Tensor De Cadena Primaria Para Harley-Davidson -
5pck Nut jam style #7848W For Harley-Davidson -
James, Sello De Aceite Del Eje De Cambio Para Harley Davidson -
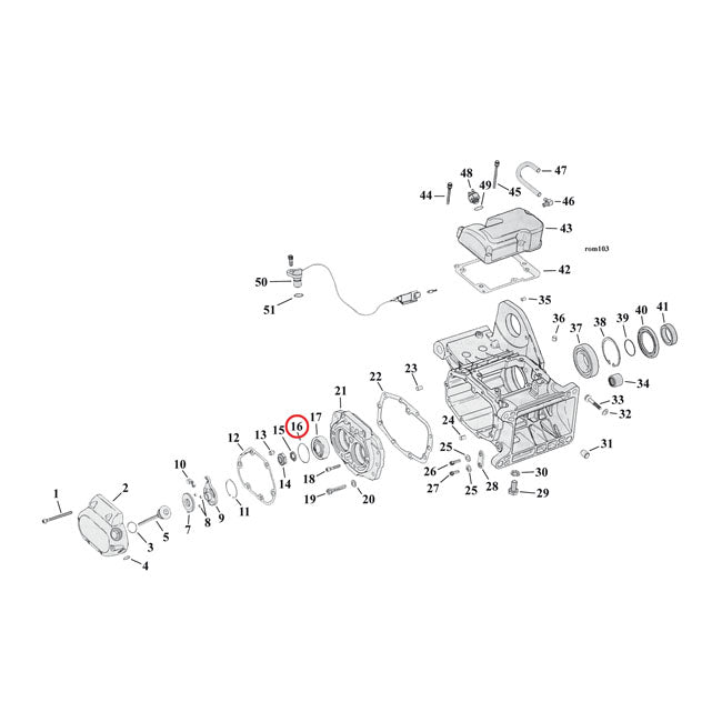
Anillo De Retención Del Cojinete De La Puerta De Transmisión Para Harley-Davidson 35087-99A -
Correa transmisión trasera reforzada para Harley-Davidson Softail M8 -
Pista Rodamiento Eje Principal Transmisión Estándar Para Harley-Davidson Sportster 1984-1990